ネジ式押しボタン30Φ OBSN-30
ビデオゲーム筐体や家庭用アーケードコントローラーへの採用実績が多い30Φボタンのネジ式です。
※ 100%ではありませんがレバーとボタンが付いているアーケードコントローラーのメインボタンは30Φ、レバーが付いていないアーケードコントローラー(通称:レバーレス)のメインボタンは24Φであることが多いです。
サイズのお間違えにご注意下さい。
※【弊社製品が標準採用されていない】〇〇社の〇〇という筐体やアーケードコントローラーへ取付可能か?
というご質問につきましては、その商品の仕様や機構に依存するためお答えが出来ません。
メーカーへお問い合わせいただくか、有志の方の換装レビュー等にてご判断いただきますようお願い致します。
SW-68というコストパフォーマンスに優れたスイッチを使用しています。
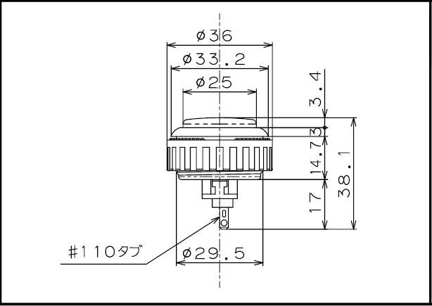
取付穴寸法:φ30±0.1
取付板厚 :5mmMAX
使用SW :SW-68
写真と実際の色味が異なって見えることがございます。予めご了承ください。
業務用になりますので取扱説明書・パッケージは御座いません。
商品特性をよく理解できるお客様のみご購入下さい。
当店では取り付けのサポート等は一切行っておりません。
ご注文後在庫確認を致します。
商品によっては、お届けまでにお時間を頂く場合もございます。
その場合は改めてメールにてご連絡させて頂きます。
上記、ご了承の上ご注文下さいます様お願い致します。